M1

描述
●按压开关●单刀(双刀)●额定电压电流4A 125/250Vac,T1501A 125/250Vac,T150 ●获得认证:ULcUL●温度限:150℃ Max. ●耐高压:2500Vac●绝缘电阻:>100MΩ●寿命:10000cycles●接触电阻: <50MΩ●Resistance to tracking(PTI):175V●适用器具类别:Ⅱ●防护级别:IPOO
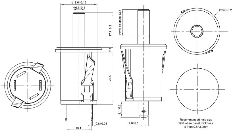
尺寸图

标识订货

主站蜘蛛池模板:
河池市|
七台河市|
济源市|
莱芜市|
浑源县|
顺平县|
桦南县|
西丰县|
伽师县|
衡山县|
阳朔县|
西宁市|
鄂托克旗|
三门峡市|
汝南县|
北流市|
保康县|
扶余县|
承德市|
阳春市|
永和县|
平阳县|
蓬安县|
邯郸市|
赣榆县|
阜新市|
嘉义县|
崇礼县|
手游|
济宁市|
琼海市|
德清县|
彰化市|
青川县|
兴义市|
安阳县|
来宾市|
花莲县|
天台县|
台州市|
湘西|