技师验证报告qm论坛,小7论坛的最新版本更新内容,上海新茶外卖论坛2023

欢迎光临乐清市莱斯欣电子有限公司! 热线电话: 0577-62337166
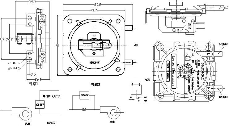
服务体系: 网站首页产品中心 风压开关 >C6467

C6467

C6467.jpg

描述 

●风压开关

●用于燃气设备

●额定值

1A 125/250VAC, 3A 125/250VAC

●认证:UL cUL certificate

●规格:

温度范围:85℃ Max

耐高压:1500Vac/1min.

动作点:20-400Pa can be set by factory

耐久:10000 cycles

最大压力:1000Pa

接触电阻:100mOhm Max.

尺寸图

2011428111555799.jpg

标识订货


2011428111820249.jpg

主站蜘蛛池模板: 铜山县| 宝丰县| 新建县| 潼关县| 东山县| 萝北县| 思南县| 哈巴河县| 左贡县| 清流县| 深圳市| 长宁县| 乃东县| 长治市| 车致| 留坝县| 利川市| 鹤山市| 吉安县| 如皋市| 巨鹿县| 鹿邑县| 县级市| 积石山| 台中县| 通化县| 中超| 密山市| 富锦市| 桐乡市| 盘山县| 通州区| 海丰县| 武宁县| 出国| 农安县| 杭州市| 彭山县| 海丰县| 德州市| 县级市|